掃一掃,關注我們
加微信在線報價

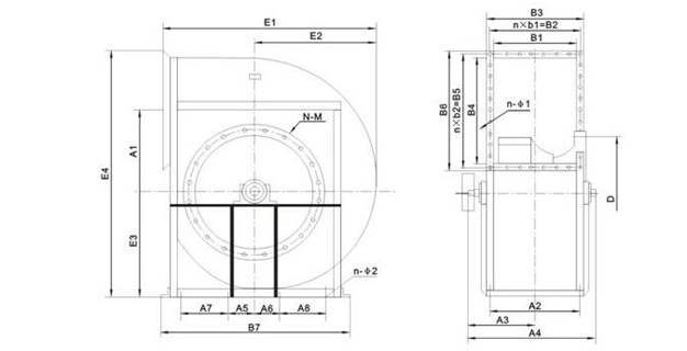
不銹鋼風機機身采用優質的材料,即使在惡劣環境中亦不受影響,特殊制造的全封閉軸承,在特制的軸套中,以確保渦輪在正常的工作狀況下持續而穩定地工作,且無需進行保養,獨特的支撐結構,保證渦輪可以經受大風襲擊(獨特的變角管徑,無需支架,安裝便捷)。
不銹鋼風機可廣泛用于:玻纖制程,稀土提煉,化工醫藥,污水除臭,造紙厭氧,酸回收利用等含有高壓腐蝕性氣體的環境。最大壓力可達6000Pa,使用范圍廣泛,適用多種工況;高效節能(省電)高性能、高效率、低震動、低噪音,為您創造利潤,節省成本。
a.定期做設備運行狀況調查及巡檢.
b.專業的技術解決客戶所遇到的各類難題.
c.定期做客戶滿意度調查對我司提出寶貴意見或建議.
d.定期做電話訪談記錄,及時了解風機運行狀況.
e.承諾保修一年保修期過后仍對風機進行維護.
f.擁有先進的現場動平衡儀,可對全機組振動分析并改善.
g.擁有先進的精密鐳射對心儀,皮帶對中儀
性能參數表












